0721 974 520 office@oferta-construct.ro
22 ani experiență în Tâmplărie PVC și Aluminiu

Tâmplărie PVC & Aluminiu
Termopane Timișoara

Oferim soluții premium de ferestre și uși de peste 22 ani. Sisteme de înaltă eficiență energetică cu profile Salamander și Cortizo pentru confortul casei tale.

Premium Efficiency

Salamander GreenEvolution 76 MD

Echilibrul perfect între tehnologia sustenabilă, design modern și izolare termică de top.

Structură Profil
  • Adâncime 76 mm
  • 6 camere de izolare
  • 3 garnituri de etanșare
Izolare și Geam
  • Pachet sticlă până la 48 mm
  • Izolație fonică superioară
  • Ideal pentru Case Pasive
Eco-Sustenabilitate

Fabricat din materiale reciclabile, reflectând angajamentul Salamander pentru un viitor verde.

100% Reciclabil

Ce este DuraTherm?

Este distanțierul termic (Warm Edge) aplicat robotizat la cald, realizat dintr-un material compozit revoluționar.

0,035
ψ-value (PSI)
0,4%
Rata pierdere gaz/an
Performanțe de top:
  • Previne complet apariția condensului.
  • Design invizibil - estetică discretă și elegantă.
  • Material compozit cu înaltă rezistență termică.

De ce să alegi acest sistem?

Liniște

Izolație fonică ideală pentru zone urbane.

Design

Gamă variată de culori și finisaje premium.

Durată de viață

Materiale rezistente, întreținere minimă.

Confort

Reglare optimă a temperaturii interioare.

Elemente esențiale și caracteristici constructive

  • Sistem combinat AD/MD (Garnitură mediană sau de bătaie)
  • Profilele pot fi combinate indiferent de familia de produse
  • Aceleași profile ștulp utilizate pentru variantele AD și MD
  • Linii vizibile suple pentru un design modern și lumină sporită
  • Sistem optimizat pentru tehnologia de lipire a geamului
  • Profile disponibile în ambele standarde: Clasa A și Clasa B
  • Montanți cu garnitură continuă, fără necesitate de decupare
Coeficient de transfer de căldură Max. 1,0 W/(m²k)
Rezistență la încărcare din vânt C5 / B5
Etanșeitate la averse (montaj neprotejat) 9A
Permeabilitate la aer Clasa 4
Protecție fonică 48 dB
Protecție antiefracție RC3
Salamander
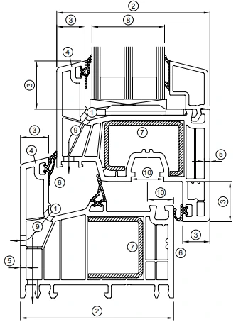
Diagramă tehnică profil fereastră

Structura internă multicamerală a sistemului premium

1 Falț: geam cu canal pentru evacuarea apei și bordurare de 3 mm în toc și cercevea

2 Adâncime: 76 mm pentru toc, cercevea și montant.

3 Aripi: Înălțime aripă de contact: în exterior 24 mm, Lățime aripă de contact: în exterior 14 mm, în interior 13,5 mm

4 Formă aripă de contact: Aripa de contact exterioară înclinată la 14°/ Bagheta înclinată la 14°

5 Grosime perete profil: Pereții exteriori ai profilelor principale conform RAL GZ 716. Pereții interiori conform cerințelor constructive.

6 Garnituri: Sistem cu 3 rânduri de etanșare, PVC-P sudabil.

7 Armături: Oțel zincat robust conform RAL-RG 716.

8 Vitraje: Permite pachete termopan/tripan până la 56 mm.

9 Drenaj: Camere frontale dedicate, evacuare spre față sau jos.

10 Feronerii: Canal feronerie Euronut 16mm, securitate RC3.

Gamă completă de culori RAL și decor lemn.

Paletar culori standard Salamander GreenEvolution

Salamander Alb
Alb
Salamander Wenge Mooreiche 25
Wenge - Mooreiche 25
Salamander Nuc Nussbaum 21
Nuc - Nussbaum 21
Salamander Gri Antracit Anthrazitgrau 70
Gri Antracit - Anthrazitgrau 70

Acestea sunt nuanțele standard disponibile în stoc. Pentru alte culori, vă rugăm să ne contactați: CONTACT

Geam Tripan

Configurații de Sticlă (Vitraj)

Eficiența unei ferestre depinde în proporție de 80% de sticlă. Oferim pachete de geam termoizolant Saint-Gobain de ultimă generație:

Recomandat pentru locuințe eficiente energetic. Grosimi de 40mm, 44mm sau 52mm. Configurație standard: 4S (Four Seasons) + Float + Low-E cu Argon între foi.

  • 4 Seasons: Reflectă căldura solară vara, menține căldura iarna.
  • Laminată (Duplex): Două foi lipite cu folie PVB pentru protecție împotriva spargerii accidentale.
  • Ornamentală: Sateen, Delta, Crepi sau Reflexivă pentru intimitate.
RotoNX

Echipare Premium: Feronerie Roto

Ferestrele și ușile noastre sunt dotate standard cu sisteme de închidere germane de ultimă generație.

Securitate Maximă

Sistemele Roto NX includ puncte de închidere tip "ciupercă" și blocatori antiefracție din oțel, oferind protecție superioară locuinței dumneavoastră.

Calitate Germană

Feroneria poartă sigla Roto, simbolul durabilității. Stratul de acoperire Roto Sil Level 6 asigură o rezistență extremă la coroziune și uzură în timp.

Manevrare Facilă

Mecanismele permit o utilizare lină și silențioasă, fiind dotate cu sistem de microventilație și protecție împotriva acționării greșite a mânerului.

Securitate și Accesorii

Feronerie RotoNX

Sisteme cu puncte de închidere tip ciupercă pentru antiefracție.

Plase Insecte

Tip ramă, rulou sau plase pentru confortul dumneavoastră.

Pervaze

Pervaze interioare PVC și exterioare Aluminiu în orice culoare RAL.

Grile Ventilație

Controlul umidității pentru evitarea apariției mucegaiului.


Consultanță rapida
Portofoliu Lucrări Timiș
Ferestre și Uși PVC Recente

Vinga

Timisoara, Timis

Timisoara, Timis

Timisoara, Timis

Timisoara, Timis